Themabewertung:
  • 0 Bewertung(en) - 0 im Durchschnitt
  • 1
  • 2
  • 3
  • 4
  • 5
Universal "FlickerFixer" GBS-8220
#21
Ich finde die Idee von Jochen am besten, einfach hinten an den Flachmann geklebt und gut :-)
Zitieren
#22
Wenn jemand Interesse an einem Flifi hat, ich habe hier welche günstig abzugeben :-) einfach PM an mich...

Grüße Georg
Zitieren
#23
Damit das mal nicht in der Versenkung verschwindet hier die Belegungen für den Anschluss des Flifi an einen Amiga:

DSUB -> VGA Flifi

3 -> 1
4 -> 2
5 -> 3
11-> 13
12-> 14
16-> 6,7,8

DSUB -> mitgelieferter FLIFI Stecker

3 -> rot
4 -> grün
5 -> blau
10 -> grau
12 -> gelb
16 -> schwarz

Ich bitte um Prüfung ob das so passt, habe es bei mir so gelötet und es geht :-)

Grüße HG
Zitieren
#24
Jetzt habe ich auch einen genialen C128. :thumbsup:
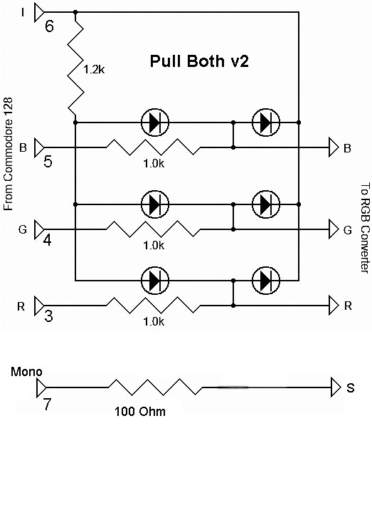
Der C128 hat 2 Videoausgänge: den Standartausgang, wie ihn auch der C64 hat und eine 9-Polige Buchse für das 80-Zeichenbild. Hier gehts mal nur um den letztgenannten Ausgang. Ein S-Video-Signal bekommt man mit geeignetem Monitor ja direkt angezeigt.

Achtung: Die Belegung der DSUB9-Buchse der Commodore 128 entspricht keinem CGA/EGA-Standart !

Was ich zur 80er-Anzeige auf einem TFT im Netz gefunden hatte ist nur bedingt geeignet oder mir zu aufwändig. Ich hatte eine Schaltung im Netz als Grundlage genommen und für den speziellen Zweck, C128-->GBS 8220-->TFT-Monitor, angepasst. Mit den H und V -Signalen kann der GBS, hier, nichts so richtig anfangen, wenn man dessen EGA/CGA-Eingangsmodus nutzen möchte. Aber an Pin 7 der 9poligen Buchse liegt ein komplettes Monochromsignal an. Das habe ich mir gemopst und über einen Schutzwiderstand dem Synchroneingang des GBS zugeführt. Jetzt nur noch den GBS 8220 auf EGA/CGA als Eingangs- und 800x600 als Ausgangssignal eingestellt und schon lief das ganze schonmal mit 16 Fatben. Die Farbfeineinstellung kann man am Flickerfixer mit dessen Einstellreglern machen.

Gruss CB1JCY


Angehängte Dateien Thumbnail(s)
       
Chat im EUIRC (#amiga-dresden.de)
Zitieren
#25
So nun ist mein GBS 8220 endlich da! *freu* so nun habe ich aber folgendes Problem ich habe mal nen Standart VGA Kabel auseinander gerupft und ich habe nun iwi kein plan was wo hin muss. Weil ich auch kein plan habe wie es im stecker selber aussieht bzw verdrahtet ist weil das richtig vergossen ist. Jemand ne Idee???

... Bildlink fehlt ... Sad

Bilder bitte immer hier hochladen!!!
Zitieren
#26
Ähm, nimm mal das beiliegende Kabelchen mit dem Anschluss für die Pfostenleiste.
Da dran machst du dann deine 23pol Buchse zum Amiga hin und versiehst das Ding noch mit einem Ferrit Ring!
Fertsch! Big Grin
Zitieren
#27
Die Belegung des VGA-Steckers findest Du im Netz. (Zählweise der Pins brauchste hier)
Du nimmst einen Durchgangsprüfer/Ohmmeter und schreibst Dir auf, welche Farbe an welchen Pin vom VGA-Stecker geht.
Wenn Du das ermittelt hast und uns die Liste hier gepostet hast, gehts weiter. Wink
Chat im EUIRC (#amiga-dresden.de)
Zitieren
#28
Bei einem C128 ist das Bild unregelmässig zusammengebrochen. Nach Messung des Synchronausganges meiner Anpasschaltung war klar, warum. Der Gleichspannungsanteil war zu hoch dort. ein 100 Ohm Widerstand am Sync-Ausgang, dieser Schaltung, gegen Ausgangsmasse hatte das Problem gelöst. Nach Studie des C128-Schaltplanes, war klar, das die Quelle nicht ordentlich mit 75 Ohm abgeschlossen ist. Ein anderer C128 hatte (noch) keine Bildausfälle gebracht. Der GBS 8220 hatte das Bild sauber gefangen, war aber auch dort im Grenzbereich.

Ach ja:
Bevor ich den 100er eingebaut hatte, hab ich den erwartenden Strom berechnet. Dieser ist weit ab vom Grenzwert des Ausgangstreibers im C128. Ein angeschlossener Röhrenmonitor mit sauberem Abschluss zieht mehr Strom. Wink
Chat im EUIRC (#amiga-dresden.de)
Zitieren
#29
Diese beiden Speccys haben die RGB-Signale an einer 8-poligen DIN-Buchse rausgeführt. Ein Adapterkabel für den 15-poligen Eingang des GBS ist schnell gemacht. Ich habe sicherheitshalber in jede Signalleitung einen 220 Ohm Widerstand eingeschleift. Das, dadurch schwächere, Signal kann man mit den analogen Farbreglern auf dem GBS ausgleichen. Erstaunlich gut und fast streifenfrei ist damit das Bild auf einem TFT-Monitor.
Besser ist es hier, dem Spectrum seinen eigenen GBS8220 zu spendieren, weil die optimalen Einstellungen nicht komplett zu anderen Rechnern als Quelle passen.
Noch ne Kleinigkeit: das Netzteil vom Spectrum, wenns überarbeitet ist, ist leistungsfähig genug den GBS mit zu versorgen. Wink


Angehängte Dateien Thumbnail(s)
       

.pdf   128_rgb.pdf (Größe: 276,9 KB / Downloads: 1.561)
Chat im EUIRC (#amiga-dresden.de)
Zitieren
#30
Schön klares Bild! Smile
Zitieren


Gehe zu:


Benutzer, die gerade dieses Thema anschauen: 1 Gast/Gäste